To design a logic for implementation of a 3-Way Switch connecting 3-floors with a single load.

Instructions
Print
Reset

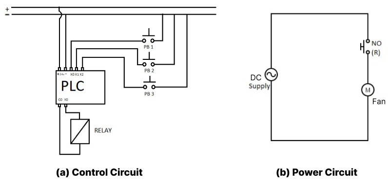
Control circuit

PLC
4C/O Relay 12V DC
DC supply 12V
X0
X1
X2

Power circuit

DC supply 12V
No (R)
Control Button
DC Motor
© 2024 Virtual Labs, IIT Roorkee

Instructions

1. Click on the Control Circuit button in Control Circuit Section.

2. Get the required components in Control Circuit Section by clicking on components displayed in Components Section.

3. Establish the connections according to the control circuit diagram provided in Fig. (a).

4. Verify the control circuit by clicking on the Check Connections 1 button.

5. If Wrong Connections, click on the Delete Connections 1 button to delete connections and make the right connections.

6. Once the Control Circuit is verified, click on the PLC to design the ladder logic.

7. A new window will appear for the ladder logic. Design the ladder logic using the instructions tab on the PLC window.

8. Once the ladder logic is verified, switch to the Power Circuit Section. Make the connections according to the Power Circuit diagram provided in Fig. (b).

9. Click on the Check Connections 2 button to validate the Power Circuit.

10. If Wrong Connections, click on the Delete Connections 2 button to delete connections and make the right connections.

11. Once the Power Circuit is verified, switch on the Power Supplies & enable the Push Button by a mouse hover.

12. Click on the Print button to get a print of the webpage.

13. Click on the Reset button to refresh the webpage.


[🔴 Red Endpoint Denote Positive terminal.]

[🔵 Blue Endpoint Denote Negative terminal.]

  PLC Ladder Logic.  

Instruction

Components

NO (OFF)
NO (ON)
NC (OFF)
NC (ON)
Coil (OFF)
Coil (ON)

Y0

FALSE

LED

X0

FALSE

Floor 1

X1

TRUE

Floor 2

X2

TRUE

Floor 3

X0

TRUE

Floor 1

X1

FALSE

Floor 2

X2

TRUE

Floor 3

X0

TRUE

Floor 1

X1

TRUE

Floor 2

X2

FALSE

Floor 3

X0

FALSE

Floor 1

X1

FALSE

Floor 2

X2

FALSE

Floor 3





Instructions for Generating Ladder Logic for 3-Way Switch

1. Click on a black placeholder on the webpage to add a symbol.

2. A dialog will appear where you will write the symbol name (e.g., X0, X1, X2, Y0).

3. The symbol will be placed in the selected location according to the 3-way switch diagram provided.

4. Repeat the process for each placeholder to complete the ladder logic as shown in the provided diagram.

5. If you make a wrong connection, click on the Delete Connections button to remove the wrong connection and make the correct one.

6. Click on the Check Connections button to verify that all connections are correct.

7. Ensure the connections follow the structure shown in the diagram:

  • X0, X1, X2 for floors 1, 2, and 3 respectively.
  • Y0 for the relay coil.

8. Verify your connections by comparing with the reference diagram.