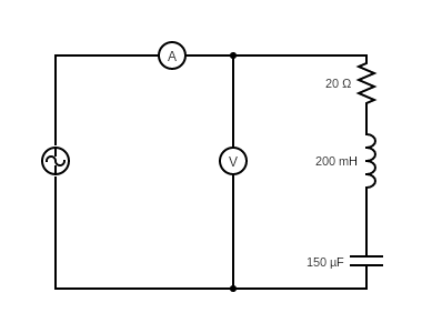
| RESISTANCE ( Ω ) |
INDUCTANCE ( H ) |
CAPACITANCE ( µF ) |
VOLTAGE ( V ) |
CURRENT ( A ) |
|---|---|---|---|---|
| 20 | 0.2 | 150 | 230 |
| TRUE POWER ( W ) | APPARENT POWER ( VA ) |
REACTIVE POWER ( VAR ) |
POWER FACTOR ( COS ϕ ) |
IMPEDANCE ( Z ) |
|---|---|---|---|---|

POWER SUPPLY

VOLTMETER
LOAD
CAPACITOR

AMMETER
BREADBOARD